VFFS belts & Pull Down Belts & Vacuum Timing Belt

Offers a wide range of high quality Draw Down Belts for the packaging industry.
Our Timing Belts have a great high friction backing on the top surface to help vertically draw down film in packaging machines to make bags.
A complete range of molded, seamless backings is available along with comprehensive machining, drilling & milling operations.

VFFS timing belts utilizing Neoprene or Polyurethane base belts with a hardness of 90 ShA, available in both metric and inch profiles.

vFFS Belts are potential replacement belts for Vertical Form Fill and Seal Machines such as AppecAstro, Bosch, Eagle, Fabrima, Fres-co, Fuji, Kopas, Matrix, GIC, Hassia Redatron, Hayssen, Ilapak, Iman Pack, Ishida, Kawashima, Kliklok-Woodman, Gainsborough, Mesoma, Rovema, Sandiacre, Sellier & Bellot, Simionatio, Stiavelli, TNA, Triangle and Volpak.

These VFFS Draw Down Belts are composed of three layers: an endless basic toothed timing belt, adhesive, and a seamless coating with a hardness ranging from 40-55 ShA. We offer various coating options including silicone, rubber, PU and Linatex.

Vacuum Timing Belts usually have profiles of T10, 5M, 8M, S8M, XL, L and H, while custom sizes (lengths, widths and pitches) are available upon request.

Our vacuumed VFFS timing belts come with a variety of shapes and hole patterns, and our fabrication services include slotting, grinding, grooving and tooth removal.

For customers requiring Suction Belts made from FDA quality materials, we offer VFFS timing belts with a polyurethane base and silicone cover.

Base Belt Options

PU Timing Belt
Rubber Timing Belt

Machining Options

Perforation – Holes
Slotting
Grinding
Grooving
Tooth removal

Top Coating Options

Red Natural Rubber (Linatex Equivalent)
Natural rubber (NR)
Neoprene (CR)
Silicone
EPDM
Nitrile (NBR)
Thermoplastic Elastomer (TPE)
Hypalon (CSM)
FDA & USDA Approved Rubber Compounds

Key Features of VFFS Belts

Superior operational dependability is ensured by a consistently high coefficient of friction.
Extended durability is achieved through exceptional resistance to wear.
Customized solutions are feasible through the selection of various materials and virtually limitless specialized manufacturing options.
Potential for FDA approval is available.

Advantages of VFFS Belts

Replacement Parts Available for Leading Manufacturers
Consistent Molded Covers Designed to Ensure Even Wear Surfaces, Eliminating Tough Spots for Enhanced Performance
Durable Covers Ensuring Consistent Friction Throughout the Belt’s Lifespan
Components Preventing Glazing and Providing Optimal Grip
Seamless Covers for Enhanced Reliability
High Flexibility Without Risk of Cracking or Tearing
Superb Resistance to Abrasion, Extending Lifespan
Utilization of CNC Equipment to Precisely Machine Holes, Slots, Grooves, and Profiles,
Ensuring Long-lasting Performance
Reliable rubber raw materials ensure quality
20 years of supply chain advantages and a team of factory experts guarantee

five types of VFFS belts punching options

We offer five types of belt punching options for the conventional vacuum film stretchers. These are some of the cases we have handled. Of course, we have also dealt with other types. You can contact our sales customer service team to obtain more information.

Vacuum Perforation: Holes punched throughout the belt allowing suction to grip and pull plastic foil, films, or paper.
Custom Profiles: Holes in round, square, oval, or custom shapes for exact positioning

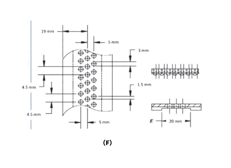
VFFS-belts-F-drawing-
VFFS-belts-F-drawing-

VFFS Pull Down Belts

  • T10.5-934.5-12.5 Silicone coated timing Puller Belt

    T10.5-934.5-12.5 Silicone coated timing belt| High-Friction Puller Belt

    By • 31.03.2026
    Our T10.5-934.5-12.5 silicone coated timing belt is a high-precision transmission solution designed for specialized packaging and labeling machinery. Featuring a high-grip silicone top cover on a reinforced T10.5 pitch base, this belt ensures synchronized movement with superior surface friction for delicate or slippery materials. Product informatie Part No T10.5-934.5-12.5 Silicone coated timing Puller Belt Length…
    Read More
  • MBO 17.2202.00 Vacuum timing Wheel Belt

    By • 25.03.2026
    This is a vacuum timing wheel belt for MBO folding machines, available in sizes 50 × 575 mm  480 x 50 mm and 500 × 50 mm. Also referred to as a T5‑575 suction timing belt or suction feeder belt, with the OEM part number 17.2202.00. High-performance vacuum feed belts made of chloroprene rubber (CR),…
    Read More
  • yellow silicone coating for timing belts

    By • 04.02.2026
    The core advantages of yellow silicone-coating timing belts include high-temperature resistance, food-grade safety, slip resistance, wear resistance, and anti-adhesion properties. The coating is typically yellow or semi-transparent yellow, commonly referred to as “food-grade yellow silicone timing belts.” YONGHANG cover both timing belts and conveyor belts with silicone yellow coating. The silicone is applied without a…
    Read More
  • 345L-25 VFFS timing belts

    345L-25+3 Vacuum perforated timing belt

    By • 14.01.2026
    345L-25+3 Vacuum perforated timing belt are endless made from a vulcanized sleeve with no joints. this makes them run smoothly and have no weak points even at a very high speed. our belts are designed to give you maximum precision and reliability. 345L-25+3 Vacuum perforated timing belt made for precise guiding and pulling of packaging…
    Read More
  • T10-630 Vacuum Pull Down Belt for Packing Machine

    By • 14.01.2026
    T10-630 Vacuum Pull Down Belt for Packing Machine is a vacuum Timing belt are used in form fill seal machines to pull down plastic foil to form a pouch or a bag into which the product to be packed.The packets are gripped and drawn down by two specially constructed belts, usually located vertically for easier filling…
    Read More
  • 367L-25+3 Form Fill Seal (VFFS)Belts

    By • 14.01.2026
    367L-25+3 form fill seal (VFFS)belts is a perforated brown coated timing belt, Vertical form-fill seal (VFFS) machine turns a roll of packaging film into a shelf-ready finished bag.Vertical packing machines start with a large roll of film, form it into a bag shape, fill the bag with product, and seal itthat wraps the product in a tube…
    Read More

VFFS Belts Applications

  • Vertical Form Fill and Seal
  • Packaging industry
  • Food industry

Film Feeding & Positioning: Ensures accurate pulling of plastic film for pouch formation.
Synchronization with Filling Mechanism: Coordinates product filling with bag formation for high-speed operation.
Sealing & Cutting Alignment: Keeps film in perfect position for consistent heat sealing and cutting.

YONGHANG has been manufacturing OEM and custom packaging belts for the vertical form seal segment for over 20 years.

Our customer service representatives and engineering team work together to provide solutions to your belting needs with unsurpassed quality.

VFFS Pull Down Belts

Standard Stock Range

  • Fast Shipping.
  • Popular sizes available for next week delivery.
  • Bi-directional molded belts.
  • Rubber Base Belts as standard.
  • 45 ShA standard backing hardness.
  • Full technical support, supply and stocking options.

With a vacuum timing belt, products and packages can be fixed to the timing belt by vacuum. This is done by grinding a vacuum chamber into the timing belt. In this way, for example, lightweight products and packaging materials can be conveyed vertically and at high speeds with precision.

Truly Endless and Spliced Coatings: Natural Rubber, Polyurethane ( PU ), Neoprene, Nitrile, Gum Rubber, NBR, XNBR, Sponge Rubber, Foam – PU and Neoprene, Silicone, Teflon, PVC, EPDM, Felt as well as numerous FDA quality options

Fabrication: Includes perforation of holes – standard, countersunk, multi-depth in varying sizes and shapes, tooth removal – groove, slots, profiling, grinding, punching

why choose us

Yonghang supplies an extensive range of standard and custom made timing vacuum belts.

Our industrial belts are suitable for most popular machines on the market. We are also able to produce custom made belts, bands and other accessories and are happy to provide customised services to assist with special requirements. We are able to meet specific requests whether through the use of different base and coating materials and / or altering profiles, finishes and adjusting vacuum holes, slots and grooves to increase or decrease suction surface area.

The majority of our fabricated belts are molded seamless truly endless (without a joint). Application of the truly endless belts in the production process greatly reduces many problems associated with spliced belts such as: uneven wear, breaks on the joint line, variation in the speed and movement of the belts. Elimination of spliced joints means that an even hardness is achieved resulting in an increased reliability, durability and longevity. A greater reduction in breakdowns and consequent down time are the major benefits of using our seamless belts.

Our range includes spliced belts – these are supplied if this option is preferred by our customer or if required due to specific application or the size of the belt.

Whatever your belting requirements might be, we are here to help you.

The following is not an exhaustive list of our products.

Please contact us direct for more information regarding your specific requirements.

How to manufacture a timing vffS belts?

Seamless Silicone coated Vacuum Timing VFFS Belts

how many types of vacuum timing VFFS belts?

Related Products

  • T10.5-934.5-12.5 Silicone coated timing Puller Belt

    T10.5-934.5-12.5 Silicone coated timing belt| High-Friction Puller Belt

    By • 31.03.2026
    Our T10.5-934.5-12.5 silicone coated timing belt is a high-precision transmission solution designed for specialized packaging and labeling machinery. Featuring a high-grip silicone top cover on a reinforced T10.5 pitch base, this belt ensures synchronized movement with superior surface friction for delicate or slippery materials. Product informatie Part No T10.5-934.5-12.5 Silicone coated timing Puller Belt Length…
    Read More
  • MBO 17.2202.00 Vacuum timing Wheel Belt

    By • 25.03.2026
    This is a vacuum timing wheel belt for MBO folding machines, available in sizes 50 × 575 mm  480 x 50 mm and 500 × 50 mm. Also referred to as a T5‑575 suction timing belt or suction feeder belt, with the OEM part number 17.2202.00. High-performance vacuum feed belts made of chloroprene rubber (CR),…
    Read More
  • yellow silicone coating for timing belts

    By • 04.02.2026
    The core advantages of yellow silicone-coating timing belts include high-temperature resistance, food-grade safety, slip resistance, wear resistance, and anti-adhesion properties. The coating is typically yellow or semi-transparent yellow, commonly referred to as “food-grade yellow silicone timing belts.” YONGHANG cover both timing belts and conveyor belts with silicone yellow coating. The silicone is applied without a…
    Read More
  • 345L-25 VFFS timing belts

    345L-25+3 Vacuum perforated timing belt

    By • 14.01.2026
    345L-25+3 Vacuum perforated timing belt are endless made from a vulcanized sleeve with no joints. this makes them run smoothly and have no weak points even at a very high speed. our belts are designed to give you maximum precision and reliability. 345L-25+3 Vacuum perforated timing belt made for precise guiding and pulling of packaging…
    Read More
  • T10-630 Vacuum Pull Down Belt for Packing Machine

    By • 14.01.2026
    T10-630 Vacuum Pull Down Belt for Packing Machine is a vacuum Timing belt are used in form fill seal machines to pull down plastic foil to form a pouch or a bag into which the product to be packed.The packets are gripped and drawn down by two specially constructed belts, usually located vertically for easier filling…
    Read More
  • 367L-25+3 Form Fill Seal (VFFS)Belts

    By • 14.01.2026
    367L-25+3 form fill seal (VFFS)belts is a perforated brown coated timing belt, Vertical form-fill seal (VFFS) machine turns a roll of packaging film into a shelf-ready finished bag.Vertical packing machines start with a large roll of film, form it into a bag shape, fill the bag with product, and seal itthat wraps the product in a tube…
    Read More

FAQ of VFFS belts

Yes,Yonghang has been manufacturing VffS timing belts in China for 20 years.

The maximum operating temperature of the silicone coating is 220°C.recommend silicone material, which lasts three times longer than standard products and give better grill.

PU, PE and Fluororubber,For specific application scenarios, you can contact our expert team. We will recommend the most suitable materials for you.

Endless made from a vulcanized sleeve with no joints MOQ 1 sleeve,For specific application or belt size requirements, we can provide these spliced belts with MOQ 1 pc.

The VFFS belt does not have a fixed service life, as it is influenced by multiple factors:

Influencing factors include: the belt’s inherent quality, the equipment’s daily operating hours, load size, working environment (temperature, presence of corrosive substances), and most importantly—whether installation and maintenance are performed correctly.

VFFS belts with blind holes are perforated coated timing belts designed to create suction, or “vacuum,” which holds and transports products firmly on their surface. The blind holes allow for air to be drawn through them, creating the vacuum effect without the need for a filter, making them ideal for conveying lightweight, flexible, or difficult-to-grip items like film or lightweight products in Film packaging machine,Powder vertical packaging machine,Potato chip vertical packaging machine

non-perforated VFFS belts is coated timing belt,Relying on surface coatings to increase friction, it lacks vacuum adsorption capabilities and is also used in vertical packaging machines.

We go beyond being just a vendor. As a dedicated manufacturer, not a distributor, we offer direct control over quality and cost. Our strength lies in providing technical support, reliable and durable products, and flexible custom solutions tailored to your project. We partner with you to ensure your drives perform flawlessly, enhancing your product’s reliability.

The generally production time is about 7-10 working days if the quantity is not very big,For bulk orders, please specifically confirm the production time with us.

Western Union, Paypal, Ali Secure Pay or T/T (company account and personal account)
Russia accepts payments from VTB Bank