T10-630 Vacuum Pull Down Belt for Packing Machine
T10-630 Vacuum Pull Down Belt for Packing Machine is a vacuum Timing belt are used in form fill seal machines to pull down plastic foil to form a pouch or a bag into which the product to be packed.The packets are gripped and drawn down by two specially constructed belts, usually located vertically for easier filling…
T10-630 Vacuum Pull Down Belt for Packing Machine is a vacuum Timing belt are used in form fill seal machines to pull down plastic foil to form a pouch or a bag into which the product to be packed.
The packets are gripped and drawn down by two specially constructed belts, usually located vertically for easier filling control of the product.
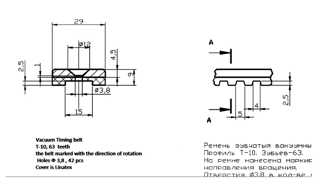
The Vacuum Pull Down belt consists of a basic toothed belt in PU or Rubber material and a cover on top.
The basic belt is around 90 ShA while the cover should be much softer ranging from 35-55 ShA to pull the foil or paper they draw for packaging the product into a bag.
Various sizes with different coating thickness are available ex-stock.
Vacuum Pull Down belts has a variety of hole shape and pattern, and we offer fabrication service like tooth removal, perforations, slotting and grinding.
Product Specifications
| OEM/VFFS Machine Brand | OEM Part Number | Belt Style-NO. | Cover Material | Base Belt Material | Notes |
| Rovema | 1.010.04.2.018.23 | 50T10-630+6mm | 45A+/-5 Red Rubber | Black Rubber | Grooved on Timing side only |
| 1.207.04.1.002.00.3 | 50T10-630+6mm | 45A+/-5 Red Rubber | Black Rubber | Countersunk,Groovedon Timing side | |
| 1.200.04.1.047.00 | 50T10-630+6mm | 45A+/-5 Red Rubber | Black Rubber | ||
| 1.010.04.2.137.23.3 | 50T10-630+6mm | 45A+/-5 Red Rubber | Black Rubber | Countersunk,Groovedon Timing side | |
| 1.20.04.1.014.01.3 | 30T10-630+6mm | 45A+/-5 Red Rubber | Black Rubber | Countersunk,Groovedon Timing side | |
| 1.010.04.2.138.23 | 30T10-630+6mm | 45A+/-5 Red Rubber | Black Rubber | Grooved on Timing side only |
T10-630-29 Drawing

T10-630 Vacuum Pull Down Belt for Packing MachineApplications
Used for pulling plastic film in packaging machine, Printing industry, packaging industry, paste box machine belt, vertical
packaging machine, food and medicine packaging industry
Film Feeding & Positioning: Ensures accurate pulling of plastic film for pouch formation.
Synchronization with Filling Mechanism: Coordinates product filling with bag formation for high-speed operation.
Sealing & Cutting Alignment: Keeps film in perfect position for consistent heat sealing and cutting.
T10-630-50 VFFS Belts for vertical form fill seal
T10-630-30 Vacuum timing Belts for Pull Film machine
T10-630-30 Vacuum timing Belts for Pull Film machine

.jpg)











