our work

Our Projects

At Yonghang, we provide professional technical drawing support for industrial belt products, helping customers clearly understand the belt structure, dimensions and application details before production.

Our Services

The Drawing supplied Services That We Render Your industrial belt

Based on your drawings, samples, pictures, or basic drafts, our technical team prepares accurate belt drawings and layouts. During the drawing process, we carefully evaluate belt dimensions, tooth profile, length, width, thickness, joint method and any special requirements to ensure the design matches real working conditions.

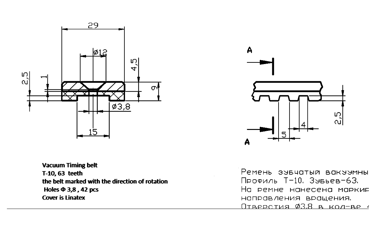
63齿数磨齿15mm宽锥形孔T10 630 29
VFFS timing belts Drawing

for vertical form fill seal machine

Various drawings for processes such as slotting, drilling, and tooth removal, as well as NCN processing.

pulley drawing
pulleys Drawing

Including common Pulleys drawings

The drawings we provide can be used to manufacture products made of aluminum alloy, carbon steel, plastic, and brass, including surface anti-rust treatments such as blackening, bluing, sandblasting, etc.

haul off belts Drawing
haul off belts Drawing

for Maillefer wire & cable and pipe & tube production

Standard-sized and nonstandard belts drawings and haul off belts pulleys can be produced and manufactured.

Punched machine
Punched drawing

Punched drawings for conveyor belts with holes, flat belts, synchronous belts, etc.

At the same time, we also recheck load-bearing capacity, running stability, coating structure, perforation layout and installation compatibility, effectively reducing potential risks during later use. 

Sausage machine belt drawing
sausage machine belts Drawing

for sausage machine

Various drawings for processes such as slotting, drilling, and tooth removal, as well as NCN processing.

conveyer belt Drawing
conveyer belt Drawing

with V-Guides/cleats/Sidewall

The drawings we provide can be used to add baffles, v-guides/cleats/sidewall at various positions of the conveyor belt.

Fake teeth timing belts
accessories Drawing

Fake teeth, nuts

Standard-sized and nonstandard Fake teeth, nuts drawings can be produced and manufactured.